タイヤバルブ

クランプイン・バルブ(乗用車用)-ジョイントタイプ

タイヤバルブ

クランプイン・バルブ(乗用車用)-ジョイントタイプ

特殊タイヤバルブの紹介ページですが、下記商品以外にも取り扱いがございます。
また様々なご要望にもお応え出来るように製造も行えます。お気軽にお問い合わせください。

※バルブの寸法説明と注意事項はこちらに掲載しております。

ジョイント・ストレートタイプ(フラットバルブ)

※フラットバルブには、専用のエクステンションバルブが必要です。(品番1704)
※他のフラットバルブキャップもあります。

品番 製品画像 サイズ
1501 14・20

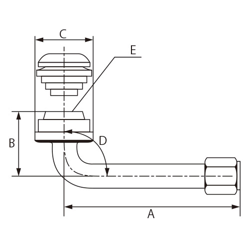
ジョイント(連結)・ベントタイプ

  • 曲げ位置からキャップ先端(コア側)/( )内の表示はバルブ本体先端まで
  • 曲げ位置から本体先端(連結側)
  • 座面
  • 角度
  • 取付部 ねじピッチ
品番 製品画像 サイズ A(mm) B(mm) C(mm) D E
1502 17・47・90° 35(30) 17 17 90° TV8
1503 17・64・90° 52(47) 17 17 90° TV8
1504 17・66・80° 50(45) 21 17 80° TV8
1505 17・71・90° 59(54) 17 17 90° TV8
1506 17・76・90° 64(59) 17 17 90° TV8
1507 17・66・90° 50(45) 21 17 90° TV8
1508 18・66・90° 53(48) 18 18 90° TV8
1509 18・71・90° 58(53) 18 18 90° TV8
TOP