バルブの寸法説明と注意事項
バルブ寸法のサイズ表示について
- ストレートタイプ
- バルブ本体 座面外径(mm)×バルブ本体 全長(mm)
- ベントタイプ
- バルブ本体 座面外径(mm)×バルブ本体 全長(mm)×角度
- バルブワッシャー
- 外径(mm)×内径(mm)×厚み(mm)
- バルブナット
- 六角対辺(mm)×厚み(mm)
- バルブグロメット
- 外径(mm)×内径(mm)×厚み(mm)
タイヤバルブ 取扱い時のご注意
- ホイールに適したバルブを装着して下さい。他のバルブを使用しますと、寸法・形状が合わずバルブ穴から空気が漏れる恐れがあります。
- バルブ交換時には、新品のバルブコア(ムシ)・バルブグロメット(パッキン)を使用して下さい。パッキンの劣化により、空気が漏れる恐れがあります。
- タイヤバルブの保管に際しては、①湿度が低く直射日光に当たらない場所 ②高温時でも40℃以上を超えない場所 ③有機溶剤・油類のかからない場所等に注意してください。
バルブコア 取扱い時のご注意
- バルブコアを組み付ける前にバルブの弁口内部・バルブコアをきれいにして下さい。
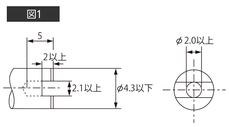
- バルブコアの締め付けは、適正な治具でおこなって下さい。適正な寸法は、図1によるものが適正です。適正な治具を使用しないとコアの破損やエアー漏れの原因になります。
- 適正締め付けトルクは、締め付け直後の戻しトルクで2.5±0.5kg-cm(245N・m)です。適正な方法で装着されたバルブコアは、図2のようになります。
