下記商品以外にも取り扱いがございます。
また様々なご要望にもお応え出来るように製造も行えます。お気軽にお問い合わせください。
クランプイン・バルブ インサイドタイプ
インサイド・ストレート
- 全長/( )内の表示はバルブ本体寸法
- ホイール前面側(取付時)
- 座面
- 取付部 ねじピッチ
| インサイド(内締め)・ストレートタイプ | ||||||
| 品番 | 製品画像 | サイズ | A(mm) | B(mm) | C(mm) | D |
|---|---|---|---|---|---|---|
| 1101 | ![]() |
11・37 | 42(37) | 23 | 11 | M6-P1.0 |
| 1102 | ![]() |
11・42 | 47(42) | 26 | 11 | M6-P1.0 |
| 1103 | ![]() |
11・47 | 52(47) | 31 | 11 | M6-P1.0 |
| 1104 | ![]() |
11・55 | 60(55) | 41 | 11 | M6-P1.0 |
| 1105 | ![]() |
14・34 | 39(34) | 14 | 14 | TV8 |
| 1106 | ![]() |
14・37 | 42(37) | 17 | 14 | TV8 |
| 1107 | ![]() |
14・39 | 44(39) | 19 | 14 | TV8 |
| 1108 | ![]() |
14・45 | 50(45) | 25 | 14 | TV8 |
| 1109 | ![]() |
15・39 | 44(39) | 19 | 15 | TV8 |
| 1110 | ![]() |
16・34 | 39(34) | 14 | 16 | TV8 |
| 1111 | ![]() |
16・47 | 52(47) | 27 | 16 | TV8 |
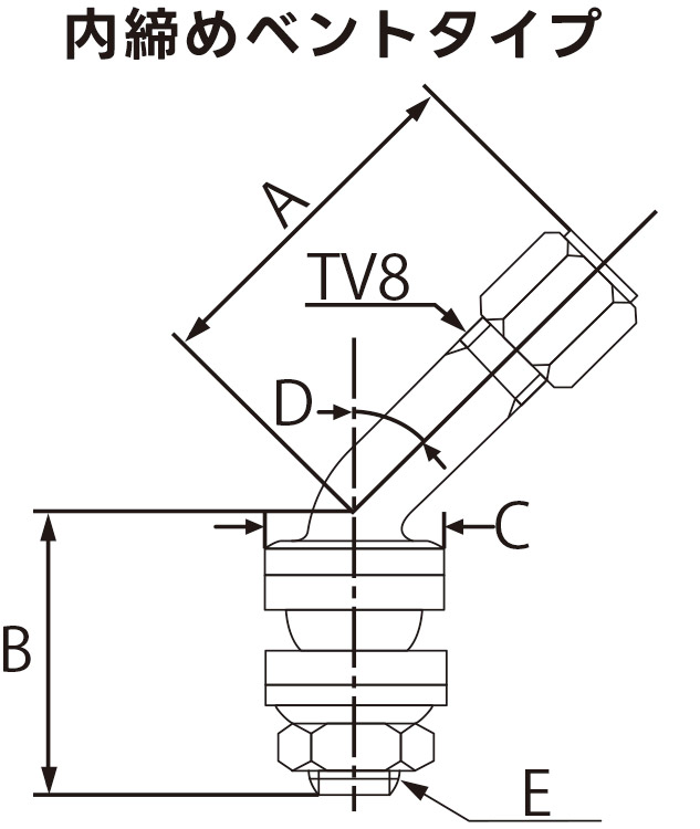
インサイド・ベント
- 曲げ位置からキャップ先端/( )内の表示はバルブ本体先端まで
- 曲げ位置から本体先端
- 座面
- 曲げ角度
- 取付部 ねじピッチ
| インサイド(内締め)・ベントタイプ | |||||||
| 品番 | 製品画像 | サイズ | A(mm) | B(mm) | C(mm) | D | E |
|---|---|---|---|---|---|---|---|
| 1201 | ![]() |
11・50・45° | 34(29) | 21 | 11 | 45° | M6-P1.0 |
| 1202 | ![]() |
11・55・25° | 36(31) | 24 | 11 | 25° | M6-P1.0 |
| 1203 | ![]() |
11・60・35° | 42(37) | 23 | 11 | 35° | M6-P1.0 |
| 1204 | ![]() |
11・71・65° | 53(48) | 23 | 11 | 65° | M6-P1.0 |
| 1205 | ![]() |
11・71・90° | 53(48) | 23 | 11 | 90° | M6-P1.0 |
| 1206 | ![]() |
14・51・25° | 30(25) | 26 | 14 | 25° | TV8 |
| 1207 | ![]() |
14・55・45° | 34(29) | 26 | 14 | 45° | TV8 |
| 1208 | ![]() |
14・71・90° | 47(42) | 29 | 14 | 90° | TV8 |
| 1209 | ![]() |
16・57・55° | 36(31) | 26 | 16 | 55° | TV8 |



















